Übergangs-Schraubverbinder bis 52 kV

Beschreibung

Beschreibung

Normen

  • Tests
    IEC 61238-1

Beschreibung

Werkstoff:
Verbinderkörper: Alu-Legierung
Schrauben: Messing, mit Innen-u. Außensechskant
galvanisch verzinnt bzw. Alu-Legierung

Oberfläche:
Verbinderkörper: galvanisch verzinnt

Zentrierung: zur Leiterzentrierung liegen Zentrieringe bzw. Zentriereinlagen bei.

 

Die Verbinder sind mit Kontaktfett gefüllt und in Plastikfolie eingeschweißt.

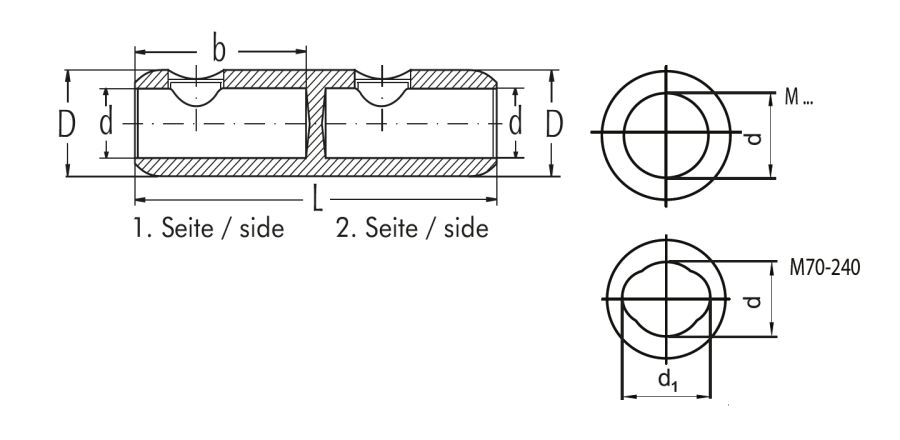
Abmessungen MTC

Technische Daten MTC

Technische Hinweise und Anwendungsinformationen (Schraubtechnik)

Die angegebenen Daten wurden gewissenhaft ermittelt, befreien Sie aber nicht von der eigenen Prüfung der von uns gelieferten Produkte auf ihre Eignung für die beabsichtigten Zwecke. Dem aktuellen Stand der Technik folgend, behalten wir uns vor, Änderungen an Kennwerten und Leistungsmerkmalen vorzunehmen. Die Verarbeitung und Anwendung der Produkte erfolgen außerhalb unserer Kontrollmöglichkeit und liegen daher ausschließlich in Ihrem Verantwortungsbereich.

Unsere Erzeugnisse entsprechen den einschlägigen VDE-Bestimmungen, bzw. entsprechenden DIN-Blättern und IEC-Empfehlungen. Achtung: Vor Ersteinsatz bitten wir um Rücksprache mit dem Hersteller.

Die im Katalog beschriebenen Produkte sind für den Anschluss von Energieleiterkabeln (Klasse 1 & 2) der Leiterbauformen rund-eindrähtig (RE) und rund-mehrdrähtig (RM), sektor-eindrähtig (SE) und sektor-mehrdrähtig (SM) sowie rund-mehrdrähtig-verdichtet (RMV) ausschließlich auf blanken Leitern und für Leitertemperaturen bis 90°C vorgesehen. Leiterfüllmaterialien wie Quellbänder, Puder oder Ähnliches sind vor der Montage vollständig zu entfernen.

Die Leiternorm DIN EN 60228 legt keine verbindlichen Leiterabmessungen fest. Trotz aller Sorgfalt seitens des Herstellers, kann der Leiternorm folgend keine allgemeingültige Verwendungsfähigkeit von GPH® Pressprodukten für EN-Leiter sichergestellt werden. Die Prüfung der Verwendbarkeit auf Grundlage der tatsächlichen Leiterabmessung, obliegt im Einzelfall dem Anwender. Dies gilt auch für die Verwendung der Produkte beim Einsatz flexibler Leiter (Klasse 5 & 6).

Zur Verwendung flexibler Kupferleiter der Klasse 5 mit der M/C-Serie werden Wechselschraubensets angeboten. Mit der D-Serie können die in der Tabelle angegebenen Querschnitte mit bzw. ohne Einsatz
einer Hülse geklemmt werden. Die Prüfung der Verwendbarkeit auf Grundlage der tatsächlichen Leiterabmessung, obliegt im Einzelfall dem Anwender. Dies gilt auch für die Verwendung der Produkte beim Einsatz von Leitern der Klasse 6 oder anderer Sonderleiter.

Montage mit Schlagschrauber: Nur die von Nexans freigegebenen Schlagschrauber verwenden! In Abhängigkeit von unterschiedlichem Leitermaterial bzw. unterschiedlicher Leiterkonstruktion können sich
Abweichungen von den Prüfwerten nach IEC 61238-1 ergeben. Einsatz feindrähtiger Leiter nur nach Rücksprache mit Nexans Power Accessories Germany GmbH.

Unsere Geschäftsbedingungen entsprechen der jeweils neuesten Ausgabe der „Allgemeinen Lieferbedingungen für Erzeugnisse und Leistungen der Elektroindustrie“. Zur Verpackung unserer Produkte verwenden wir recyclingfähige Verpackungsmaterialien nach der geltenden Verpackungsverordnung (VerpackV). Verkaufsverpackungen werden nicht zurückgenommen.

Der Nachdruck dieses Katalogs ist, auch auszugsweise, nur mit besonderer Erlaubnis gestattet. Änderungen bleiben uns ausdrücklich vorbehalten. Abbildungen und Zeichnungen sind nicht
maßgebend. Gewichtsangaben sind annähernd und schließen die Kartonverpackung ein. Mit diesem Katalog werden frühere Ausgaben ungültig. Nicht aufgeführte Produkte sind auf Anfrage erhältlich.

Hof, im Mai 2021

 

Ressourcen

Ressourcen

Related products

Schraubverbinder für den Leiter

Kontaktieren Sie uns

Themen zu denen Sie weitere Informationen wünschen:

benötigte Felder*

Bitte überprüfen Sie Ihre Eingabe und versuchen Sie es erneut.

Eine Email Adresse muss ein einzelnes @ enthalten

Schutz personenbezogener Daten

Sie haben das Recht, der Verarbeitung Ihrer personenbezogenen Daten und / oder deren Verwendung für Direktmarketing- oder kommerzielle Zwecke zu widersprechen

Vielen Dank!

Danke, dass sie uns kontaktiert haben. Wir werden uns in Kürze mit Ihnen in Verbindung setzen.

Fehler

Ein Fehler ist aufgetreten. Bitte versuchen Sie es erneut.

Schliessen

Kontaktieren Sie uns

benötigte Felder*

Bitte überprüfen Sie Ihre Eingabe und versuchen Sie es erneut.

Eine Email Adresse muss ein einzelnes @ enthalten

Schutz personenbezogener Daten

Sie haben das Recht, der Verarbeitung Ihrer personenbezogenen Daten und / oder deren Verwendung für Direktmarketing- oder kommerzielle Zwecke zu widersprechen

Vielen Dank!

Danke, dass sie uns kontaktiert haben. Wir werden uns in Kürze mit Ihnen in Verbindung setzen.

Fehler

Ein Fehler ist aufgetreten. Bitte versuchen Sie es erneut.

Schliessen