SVMS/SVMS-P Schrumpf-Verbindungsmuffe nach DIN V 47640

Beschreibung

Beschreibung

Normen

  • Produkt
    DIN V 47640; EN 50393
  • Tests
    IEC 61238-1

Beschreibung

Anwendung
Für vier- und fünfadrige Kunststoffkabel und Kabel mit konzentrischem Leiter mit PVC- und VPE-Isolierung sowie PVC- und PE-Außenmänteln. Geeignet für die Verwendung von Schraubverbindern auf Al- und Cu-Leitern. Zur Installation im Innenraum, in Freiluft, im Erdreich oder in Installationskanälen.
 

Technische Hinweise
Die Innenmuffen sowie der mechanische Außenschutz bestehen aus kleberbeschichteten, dickwandigen Warmschrumpfschläuchen aus Polyolefin. Aufbau und Abmessungen entsprechen den Vorgaben der DIN V 47640. Bei der Anwendung mit Parkposition des Schraubverbinders auf dem Leiter, wird ein Verbinder ohne Trennsteg verwendet.
 

Spezifikationen und Normen
Die Warmschrumpfschläuche erfüllen die Anforderungen nach IEC 60684-247. Die Schraubverbinder entsprechen in ihren Abmessungen den Vorgaben der DIN V 47640 und sind nach IEC 61238-1-A bzw. VDE 0220 Teil 100 geprüft.

Die komplette Muffe erfüllt die Anforderung nach CENELEC EN 50393.

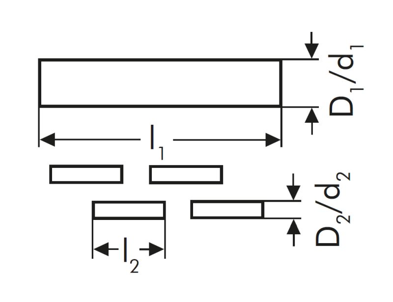
Layout SVMS/SVMS-P

Lieferumfang SVMS/SVMS-P

Schrumpfverbindungsmuffen werden mit folgenden Komponenten geliefert:

4 (5) x Innenmuffen
1 x Außenschlauch
4 (5) x Schraubverbinder mit/ohne Trennsteg
Montageanweisung

 

Auswahltabelle SVMS (ohne Parkposition des Verbinders)

Auswahltabelle SVMS-P (mit Parkposition des Verbinders)

Bestellangaben SVMS/SVMS-P

Bestellbezeichnung der Verbindungsmuffe entsprechend dem verwendeten Kabeltyp und dem Leiterquerschnitt auswählen.
 

Bestellbeispiel
Schrumpf-Verbindungsmuffe für vieradriges Kunststoffkabel, Nennspannung 0,6/1 kV,
Leiterquerschnitt 35-150 mm²
Artikelnummer: 53186
 

1) Nur für Kabel mit PVC Isolierung nach DIN VDE 0276 - 603.

 

Piktogramme SVMS/SVMS-P

Technische Hinweise und Anwendungsinformationen (Garnituren)

Die angegebenen Daten wurden gewissenhaft ermittelt, befreien Sie aber nicht von der eigenen Prüfung der von uns gelieferten Produkte auf ihre Eignung für die beabsichtigten Zwecke. Dem aktuellen Stand der Technik folgend, behalten wir uns vor, Änderungen an Kennwerten und Leistungsmerkmalen vorzunehmen. Die Verarbeitung und Anwendung der Produkte erfolgen außerhalb unserer Kontrollmöglichkeit und liegen daher ausschließlich in Ihrem Verantwortungsbereich.

Unsere Erzeugnisse entsprechen den einschlägigen VDE-Bestimmungen, bzw. - soweit erschienen - den entsprechenden DIN-Blättern und IEC-Empfehlungen.

Achtung: Vor Ersteinsatz unbedingt Rücksprache mit dem Hersteller halten.

Die im Katalog beschriebenen Produkte sind für den Anschluss von Energieleiterkabeln (Klasse 1 & 2) der Leiterbauformen rund-eindrähtig (RE) und rund-mehrdrähtig (RM), sektor-eindrähtig (SE) und sektor-mehrdrähtig (SM) sowie rund-mehrdrähtig-verdichtet (RMV) ausschließlich auf blanken Leitern vorgesehen. Leiterfüllmaterialien wie Quellbänder, Puder oder Ähnliches sind vor der Montage vollständig zu entfernen. Die Prüfung der Verwendbarkeit auf Grundlage der tatsächlich vorliegenden Leiterabmessung, obliegt im Einzelfall dem Anwender. Dies gilt auch für die Verwendung der Produkte beim Einsatz flexibler Leiter (Klasse 5 & 6).

Montage mit Schlagschrauber: Nur die von Nexans freigegebenen Schlagschrauber verwenden! In Abhängigkeit von unterschiedlichem Leitermaterial bzw. unterschiedlicher Leiterkonstruktion können sich Abweichungen von den Prüfwerten nach IEC 61238-1 ergeben. Einsatz feindrähtiger Leiter nur nach Rücksprache mit Nexans Power Accessories Germany GmbH.

Unsere Geschäftsbedingungen entsprechen der jeweils neuesten Ausgabe der „Allgemeinen Lieferbedingungen für Erzeugnisse und Leistungen der Elektroindustrie“. Auf Wunsch senden wir Ihnen eine Kopie zu.

Das Verbindungsmaterial wird vorwiegend in Kartons verpackt geliefert. Wir verwenden nur recyclingfähige Verpackungsmaterialien nach der neuen Verpackungsordnung. Faltkartons werden nicht zurückgenommen. Nach Möglichkeit sind nur vollständige Normalverpackungen zu bestellen.

Der Nachdruck dieses Katalogs ist, auch auszugsweise, nur mit besonderer Erlaubnis gestattet. Änderungen bleiben uns ausdrücklich vorbehalten. Die Abbildungen und Zeichnungen sind nicht unbedingt maßgebend. Die Gewichtsangaben sind annähernd und schließen die Kartonverpackung mit ein. Mit diesem Katalog werden frühere Ausgaben ungültig. Ausführungen, die nicht im Katalog enthalten sind, erhalten Sie auf Anfrage.

Hof, im Mai 2021

Ressourcen

Ressourcen

Kontaktieren Sie uns

Themen zu denen Sie weitere Informationen wünschen:

benötigte Felder*

Bitte überprüfen Sie Ihre Eingabe und versuchen Sie es erneut.

Eine Email Adresse muss ein einzelnes @ enthalten

Schutz personenbezogener Daten

Sie haben das Recht, der Verarbeitung Ihrer personenbezogenen Daten und / oder deren Verwendung für Direktmarketing- oder kommerzielle Zwecke zu widersprechen

Vielen Dank!

Danke, dass sie uns kontaktiert haben. Wir werden uns in Kürze mit Ihnen in Verbindung setzen.

Fehler

Ein Fehler ist aufgetreten. Bitte versuchen Sie es erneut.

Schliessen

Kontaktieren Sie uns

benötigte Felder*

Bitte überprüfen Sie Ihre Eingabe und versuchen Sie es erneut.

Eine Email Adresse muss ein einzelnes @ enthalten

Schutz personenbezogener Daten

Sie haben das Recht, der Verarbeitung Ihrer personenbezogenen Daten und / oder deren Verwendung für Direktmarketing- oder kommerzielle Zwecke zu widersprechen

Vielen Dank!

Danke, dass sie uns kontaktiert haben. Wir werden uns in Kürze mit Ihnen in Verbindung setzen.

Fehler

Ein Fehler ist aufgetreten. Bitte versuchen Sie es erneut.

Schliessen